电脑桌面
添加盘古文库-分享文档发现价值到电脑桌面
安装后可以在桌面快捷访问

加油站安全生产事故应急预案

加油站安全生产事故应急预案_第1页
1/22
加油站安全生产事故应急预案_第2页
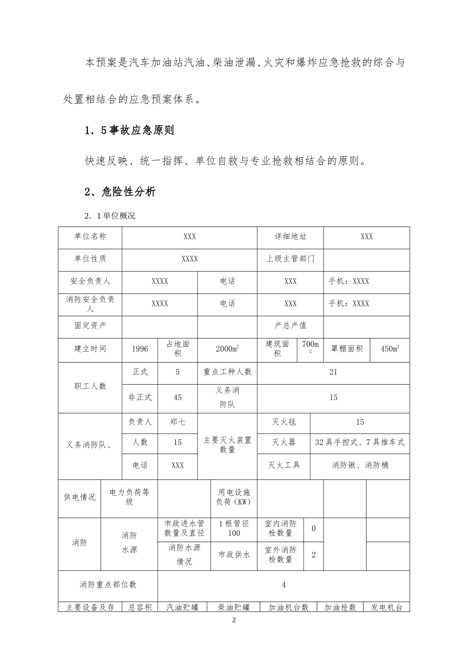
2/22
加油站安全生产事故应急预案_第3页
3/22
加油站安全生产事故应急预案(仅供参考请结合本单位实际情况编写)、总则. 编制目的为规范加油站安全生产应急管理和应急响应程序,迅速、有序地控制和处理可能发生的事故,最大限度的减少人员伤亡和财产损失,把事故伤害降到最低点,维护本单位和社会的安全稳定,特制定本预案。. 编制依据本预案依据《中华人民共和国安全生产法》、《中华人民共和国消防法》、《北京市安全生产条例》、《北京市消防条例》、《生产经营单位安全生产事故应急预案编制导则》、《生产经营单位安全生产事故应急预案编制导则》等编制此预案。. 适用范围 本预案适用于本加油站范围内卸油区、储罐区、加油区、营业室等的安全生产事故,火灾隐患事故和应急保障。. 应急预案体系本预案是汽车加油站汽油、柴油泄漏、火灾和爆炸应急抢救的综合与处置相结合的应急预案体系。. 事故应急原则快速反映、统一指挥、单位自救与专业抢救相结合的原则。、危险性分析. 单位概况单位名称XXX详细地址XXX单位性质XXXX上级主管部门安全负责人XXXX电话XXX手机:XXXX消防安全负责人XXXX电话XXX手机:XXXX固定资产产总产值建立时间99占地面积m建筑面积m罩棚面积m职工人数正式重点工种人数非正式义务消防队义务消防队、负责人郑七主要灭火装置数量灭火毯人数灭火器 具手控式、 具推车式电话XXX灭火工具消防锹、消防桶供电情况电力负荷等级用电设施负荷(KW)消防消防水源市政进水管数量及直径 根管径室内消防栓数量消防水源情况市政供水室外消防栓数量消防重点部位数主要设备及存总容积汽油贮罐柴油贮罐加油机台数加油抢数发电机台储物品数量数/型号m×m×m×m 台/YAMAHA 型周边地区情况(m 内)东侧 XXXX 商务楼 距离 米 人南侧 XXXX 路 距离 米 流量中西侧 XXXX 小学 距离 米 人北侧 XXXX 公园 距离 米 人说明:本加油站经重大危险源辨识,其贮罐区属重大危险源。. 危险性分析.. 油品的性质()汽油汽油危险性类别为第 . 类低闪点易燃液体,为无色或淡黄色易挥发性液体,具有特殊臭味。引燃温度 -℃,其闪点-℃,爆炸极限.—.﹪,汽油蒸汽与空气可形成爆炸性混合物,遇明火、高热极易燃烧爆炸,其蒸汽比空气重,能在低洼处聚集。()柴油 柴油危险性类别为第 . 类高闪点易燃液体,是稍有粘性的浅黄色至棕色液体,其自燃温度 ℃,易燃,其遇明火、高热或与氧化剂接触有引起燃烧爆炸的危险。.. 危险源及危害()主要危险部位:加油现场、卸油区、配电室、贮罐区。()可能发生的危害种类:汽油、柴油泄漏;加油站火灾、爆炸;车辆火灾;电气火灾。()对建筑物设备危害程度的预测:汽油、柴油一旦着火,具有爆炸后的燃烧可能,燃烧中又有爆炸的特点,并且伴有较强的震荡、冲击波和同时散发大量的热量。汽油造成的火灾具有强烈的突发性,高热辐射性及燃爆转换发生的特点。对建筑物、设备有较大的破坏力。 ()对人员危害程度的预测:一旦发生泄漏或爆炸,人员会导致轻度中毒、急性中毒、吸入中毒、轻度烧伤、严重烧伤及生命危险。、应急组织机构与职责 应急组织体系. 指挥部组成人员和职责应急指挥部消防组医疗抢救组保卫组抢险组后勤保障组.. 指挥部主要职责()执行国家有关事故应急工作的法规和政策。()分析灾情,确定事故应急方案,制定各阶段的应急对策。()发生事故时,负责应急工作的组织、指挥,向应急部门发出各种行动指令。()确定各部门的职责,协调各部门之间的关系。()为应急行动提供物质保障及其他保障条件。()负责内、外信息的接收和发布、向上一级救援机构汇报事故情况。()组织预案的学习、演练、改进。()负责了解、检查各应急部门的工作,及时提出指导或改进意见。(9)适时调整各应急部门人员组成,保证应急组织正常工作。()对预案的执行或演练情况进行总结、评比。()向有关新闻机构发布事故及抢救信息。()负责向上级部门做事故报告。.

1、盘古文库是"C2C"交易模式,即卖家上传的文档直接由买家下载,本站只是中间服务平台,本站所有文档下载的收益归上传人(卖家)所有,作为网络服务商,若您的权利被侵害请及时联系右侧客服。

2、本站默认下载后的格式为 docx,pptx ,xlsx,pdf,zippsd等源文件。office等工具即可编辑!源码类文件除外。

3、如您看到网页展示的内容中含有'"133KU.COM"等水印,是因预览和防盗链技术需要对页面进行转换和压缩成图片所生成,文档下载后不会有该内容标识.

4、本站所有内容均由合作方上传,本站不对文档的完整性、权威性及其观点立场正确性做任何保证或承诺,文档内容仅供研究参考,付费前请自行鉴别。如您付费,意味着您自己接受本站规则且自行承担风险,本站不退款、不进行额外附加服务。

在点击下载本文档时,弹出的对话框中,选择“使用浏览器下载”不支持下载工具多线程下载!

部分浏览图可能存在变形的情况,下载后为高清文件,可直接编辑。

加油站安全生产事故应急预案

漫步者+ 关注
机构认证
内容提供者

该用户很懒,什么也没介绍

确认删除?
回到顶部