电脑桌面
添加盘古文库-分享文档发现价值到电脑桌面
安装后可以在桌面快捷访问

行车安全作业检查表

行车安全作业检查表_第1页
1/2
行车安全作业检查表_第2页
2/2
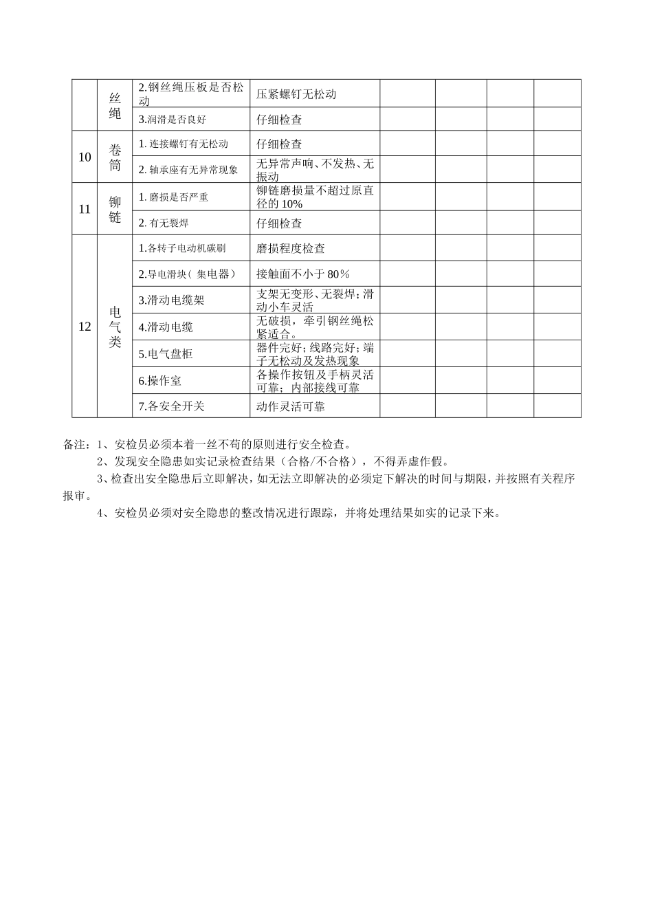
行 车 安 全 作 业 检 查 表检查日期: 年 月 日 设备编号: 安检员: 检查部位检查内容标准与要求检查结果整改时间整改结果备注车轮、有无异常声音滚 动 轴 承 没 有 产 生 杂音,轴承润滑良好,无发热、螺钉有无松动弹簧垫有压紧减速器、有无异常声音用旋具检查声响的来源(齿轮、轴承)、润滑是否良好润滑良好,无断续嘶哑声音、减速器没有发热、螺钉有无松动螺钉无松动联轴器、有无异常声音齿无严重磨损,传动轴无窜动,无异常声音、螺钉有无松动螺钉无松动制动器液压推动器有无漏油,推升动作是否顺畅上升到位,上升顺畅螺钉有无松动螺钉紧固良好,制动轮无跳动或松动制动轮有无跳动刹车架无摆动,刹车轮无轴向窜动调整是否适宜开闭灵活、制动平稳可靠、不溜勾吊钩吊钩螺钉有无裂纹外观仔细观察吊钩无裂纹、磨损少于 % 、开口度比原尺寸增大小于 %吊钩固定是否牢固轴端挡板无松动,螺母紧固销无断裂防脱钩装置是否完好完好,无变形,动作灵活可靠缓冲器支座有无裂纹外观检查缓冲性能是否良好弹簧弹性良好,无断裂吊梁 横梁有无裂焊及弯扭横梁无裂焊变形(仔细检查)吊环有无裂纹定期更换(仔细检查)卡板是否松脱螺钉无松动,卡板无脱落检查部位检查内容标准与要求检查结果整改时间整改结果备注滑轮轮缘有无缺损无崩裂外罩有无损坏无变形、无裂焊滑轮轴固定是否牢靠锁紧圆螺母紧固情况良好钢有无断丝,断股,打结在 mm 的长度内断丝数不超过 条;无断股丝绳钢丝绳压板是否松动压紧螺钉无松动润滑是否良好仔细检查卷筒连接螺钉有无松动仔细检查轴承座有无异常现象无异常声响、不发热、无振动铆链磨损是否严重铆链磨损量不超过原直径的 %有无裂焊仔细检查电气类各转子电动机碳刷磨损程度检查导电滑块( 集电器)接触面不小于 %滑动电缆架支架无变形、无裂焊;滑动小车灵活滑动电缆无破损,牵引钢丝绳松紧适合。电气盘柜器件完好;线路完好;端子无松动及发热现象操作室各操作按钮及手柄灵活可靠;内部接线可靠各安全开关动作灵活可靠备注:、安检员必须本着一丝不苟的原则进行安全检查。 、发现安全隐患如实记录检查结果(合格/不合格),不得弄虚作假。、检查出安全隐患后立即解决,如无法立即解决的必须定下解决的时间与期限,并按照有关程序报审。 、安检员必须对安全隐患的整改情况进行跟踪,并将处理结果如实的记录下来。

1、盘古文库是"C2C"交易模式,即卖家上传的文档直接由买家下载,本站只是中间服务平台,本站所有文档下载的收益归上传人(卖家)所有,作为网络服务商,若您的权利被侵害请及时联系右侧客服。

2、本站默认下载后的格式为 docx,pptx ,xlsx,pdf,zippsd等源文件。office等工具即可编辑!源码类文件除外。

3、如您看到网页展示的内容中含有'"133KU.COM"等水印,是因预览和防盗链技术需要对页面进行转换和压缩成图片所生成,文档下载后不会有该内容标识.

4、本站所有内容均由合作方上传,本站不对文档的完整性、权威性及其观点立场正确性做任何保证或承诺,文档内容仅供研究参考,付费前请自行鉴别。如您付费,意味着您自己接受本站规则且自行承担风险,本站不退款、不进行额外附加服务。

在点击下载本文档时,弹出的对话框中,选择“使用浏览器下载”不支持下载工具多线程下载!

部分浏览图可能存在变形的情况,下载后为高清文件,可直接编辑。

行车安全作业检查表

漫步者+ 关注
机构认证
内容提供者

该用户很懒,什么也没介绍

确认删除?
回到顶部