电脑桌面
添加盘古文库-分享文档发现价值到电脑桌面
安装后可以在桌面快捷访问

监控采购合同范本--

监控采购合同范本--_第1页
1/4
监控采购合同范本--_第2页
2/4
监控采购合同范本--_第3页
3/4
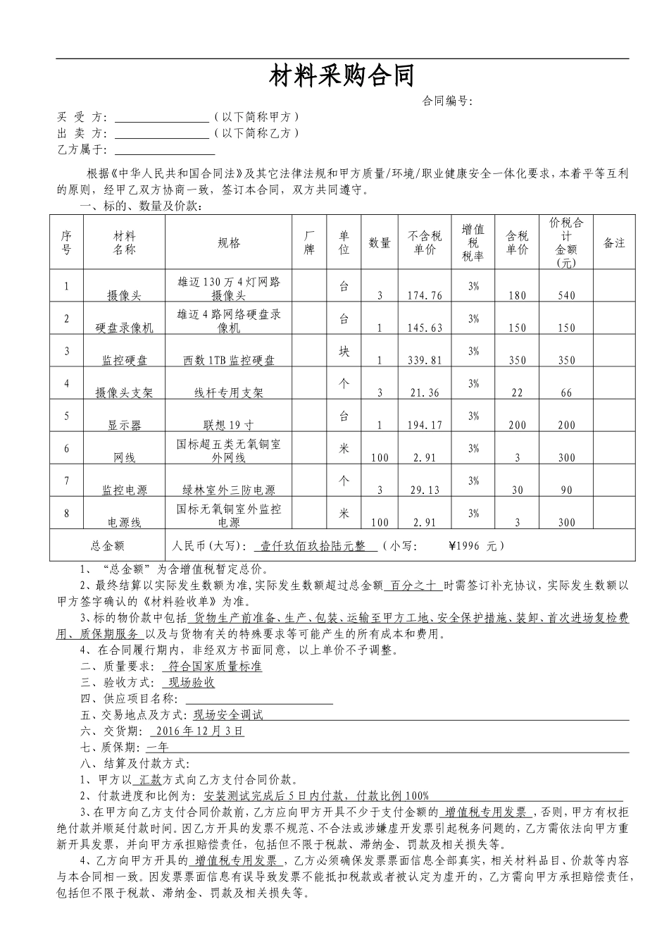
材料采购合同 合同编号: 买 受 方: (以下简称甲方) 出 卖 方: (以下简称乙方) 乙方属于: 根据《中华人民共和国合同法》及其它法律法规和甲方质量/环境/职业健康安全一体化要求,本着平等互利的原则,经甲乙双方协商一致,签订本合同,双方共同遵守。一、标的、数量及价款:序号材料名称规格厂牌单位数量不含税单价增值税税率含税单价价税合计金额(元)备注1摄像头雄迈 130 万 4 灯网路摄像头台3174.763%1805402硬盘录像机雄迈 4 路网络硬盘录像机台1145.633%1501503监控硬盘西数 1TB 监控硬盘块1339.813%3503504摄像头支架线杆专用支架个321.363%22665显示器联想 19 寸台1194.173%2002006网线国标超五类无氧铜室外网线米1002.913%33007监控电源绿林室外三防电源个329.133%30908电源线国标无氧铜室外监控电源米1002.913%3300总金额人民币(大写): 壹仟玖佰玖拾陆元整 (小写: 1996 ¥元)1、“总金额”为含增值税暂定总价。2、最终结算以实际发生数额为准,实际发生数额超过总金额 百分之十 时需签订补充协议,实际发生数额以甲方签字确认的《材料验收单》为准。3、标的物价款中包括 货物生产前准备、生产、包装、运输至甲方工地、安全保护措施、装卸、首次进场复检费用、质保期服务 以及与货物有关的特殊要求等可能产生的所有成本和费用。4、在合同履行期内,非经双方书面同意,以上单价不予调整。二、质量要求: 符合国家质量标准 三、验收方式: 现场验收 四、供应项目名称: 五、交易地点及方式:现场安全调试 六、交货期: 2016 年 12 月 3 日 七、质保期:一年 八、结算及付款方式:1、甲方以 汇款方式向乙方支付合同价款。2、付款进度和比例为:安装测试完成后 5 日内付款,付款比例 100% 3、在甲方向乙方支付合同价款前,乙方应向甲方开具不少于支付金额的 增值税专用发票 ,否则,甲方有权拒绝付款并顺延付款时间。因乙方开具的发票不规范、不合法或涉嫌虚开发票引起税务问题的,乙方需依法向甲方重新开具发票,并向甲方承担赔偿责任,包括但不限于税款、滞纳金、罚款及相关损失等。4、乙方向甲方开具的 增值税专用发票 ,乙方必须确保发票票面信息全部真实,相关材料品目、价款等内容与本合同相一致。因发票票面信息有误导致发票不能抵扣税款或者被认定为虚开的,乙方需向甲方承担赔偿责任,包括但不限于税款、滞纳金、罚款及相关损失等。九、解决合同纠纷方式:双方本着友好协商原则解决,如协商不成,通过法律程序在 人民法院诉讼解决。十、其它约定事项:1、乙方所供材料必须取得当地政府主管部门的许可,并符合环境保护的要求。2、乙方运输车辆应具有相关手续,车况良好,自觉遵守国家交通法规,文明驾驶。乙方车辆进入甲方场地,应低速行驶,有序过磅核重或检方,与其它车辆、设备及人员保持足够的安全距离,因乙方原因造成的安全事故,一切责任和损失由乙方承担。3、乙方车辆在甲方场地内维修时,应对工作场地进行铺垫,以免对土地造成污染。4、乙方按甲方要求的时间、数量及质量要求及时组织供应,对所供材料质量负责,提供合格证、产品质量证明文件,如乙方供应不及时或因质量、价格和乙方其它原因影响甲方生产使用时,甲方有权终止合同,并有权要求乙方赔偿由此所造成的经济损失。5、乙方所供材料经甲方材料和质检人员检验、试验合格后,按指定地点卸货,对不符合要求的材料,不得卸料,送料车辆应自行离开甲方场地。如无法现场得出试验结果,可先卸车,如试验结果不合格,乙方无条件予以退货,发生的费用以及给甲方造成的损失全部由乙方承担。6、乙方未能按照合同约定提供增值税发票的,应承担 未开具增值税发票价税合计金额百分之四十 的违约金。7、如乙方在执行合同过程中,涉及重大信息变更,如税务登记变更、公司名称等,应在 5 个工作日内及时告知甲方,并提供相关纸质、电子信息资料。8、其它:(1)授权收料人姓名: 联系方式: 签字: (2)乙方持甲方开具并签字确认《材料验收单》、增值税发票于下月 5 日前挂账,如乙方未按要求进行挂账,造成不能挂账问题,乙方自行解决,甲...

1、盘古文库是"C2C"交易模式,即卖家上传的文档直接由买家下载,本站只是中间服务平台,本站所有文档下载的收益归上传人(卖家)所有,作为网络服务商,若您的权利被侵害请及时联系右侧客服。

2、本站默认下载后的格式为 docx,pptx ,xlsx,pdf,zippsd等源文件。office等工具即可编辑!源码类文件除外。

3、如您看到网页展示的内容中含有'"133KU.COM"等水印,是因预览和防盗链技术需要对页面进行转换和压缩成图片所生成,文档下载后不会有该内容标识.

4、本站所有内容均由合作方上传,本站不对文档的完整性、权威性及其观点立场正确性做任何保证或承诺,文档内容仅供研究参考,付费前请自行鉴别。如您付费,意味着您自己接受本站规则且自行承担风险,本站不退款、不进行额外附加服务。

在点击下载本文档时,弹出的对话框中,选择“使用浏览器下载”不支持下载工具多线程下载!

部分浏览图可能存在变形的情况,下载后为高清文件,可直接编辑。

监控采购合同范本--

漫步者+ 关注
机构认证
内容提供者

该用户很懒,什么也没介绍

确认删除?
回到顶部