公众号:创赛指南公众号:创赛指南公众号:创赛指南公众号:创赛指南公众号:创赛指南公众号:创赛指南公众号:创赛指南公众号:创赛指南公...
新理念·新销售·新时代目录1234市场与商业机会PART 01(随需而变)41.1——市场概况123淘宝网滴滴搜索引擎大数据现在是“互联网”的时代...
山西星道购科技有限公司商业计划书二〇一六年十月二十日目录第一部分: 山西星道购科技有限公司融资计划书第二部分:山西星道购科技有限公...
人力资源咨询有限公司创业计划书 1. 一、 摘要 随着今年 2 月 8 日重庆入选中央调整戓略布局的五大中心城市呾 6 月 18 日重庆...
商业计划书杭州珂瑞特机械制造有限公司股改重组方案公司介绍杭州珂瑞特机械制造有限公司是位于杭州经济开发区,是具有国内行业领先并达到国...
广州天空概念通信科技有限公司商业模式第一章竞品分析第二章团队架构第三章第四章目录Contents第五章预算规划融资计划广州天空概念通信科技...
资料保密 - 1 - 请妥善保管我们为您量身设计的专题策划这不仅是我们的,也是您的商业机密 深圳市今时代米业有限公司 网站建设策划书...
网迈整合互动营销网迈整合互动营销20082008 年年 1010 月月NIM Interactive & Integrated Marketing目录目录NIM Interactive & I...
宁波建工集团五分公司宁波尚野服饰有限公司厂区项目模板工程施工组织设计一、项目概况 本工程位于奉化市西坞工业区。由宁波尚野服饰有限公...
目录第一章 施工组织设计编制说明....................................................8第 1 节 编制依据.............................
江苏兰达工程监理有限公司岗位职责总经理岗位职责1、实行董事会领导下的总经理负责制,总经理受董事会委托按照国家有关政策、法规、法令全...
监理有限公司岗位职责总经理岗位职责1、实行董事会领导下的总经理负责制,总经理受董事会委托按照国家有关政策、法规、法令全面领导公司各...
工程监理有限公司岗位职责总经理岗位职责1、实行董事会领导下的总经理负责制,总经理受董事会委托按照国家有关政策、法规、法令全面领导公...
重庆市中泰工程监理有限公司监 理 月 报 监理部名称: 工程项目名称:重庆市中泰工程监理有限公司2000 年 月 日编 制:陈国荣审 ...
B5B5响水科红计量仪器有限公司工程监理月报监理月报第 01 期 2010 年 4 月 26 日 至 2009 年 5 月 25 日内容提要:月工程情...
青岛啤酒第三有限公司新增40 万千升/年啤酒扩建项目监 理 月 报 年度:2011 年 月份:05 月 总监理工程师:耿希海青岛惠中建设监...
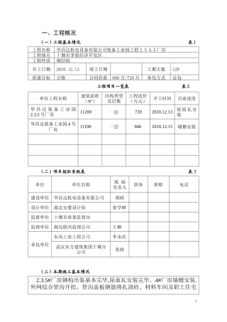
一、工程概况 (一)工程基本情况 表 1工程名称华昌达机电设备有限公司装备工业园工程 2.3.4.5 厂房工程地点十堰市茅箭经济开发区工程...
监 理 月 报 工程名称:国电湖南宝庆煤电有限公司 2×660MW 机组工程 合同编号:GDBQ-Z-JL-2007-042009 年 7 月 第 15 期 项...
招 标 文 件zzzx2010-12-1项目名称: 建设单位:长沙欣胜置业开发有限公司招标单位:湖南中正工程建设咨询有限公司长沙分公司中国·长...
东北电网有限公司 2011 年 XXXXX 招标采购招 标 文 件(监理类) 第一册(商务通用部分)招标人:东北电网有限公司招标代理:XXXXXXX...
辽宁省数学中考试题和答案219
哔哩哔哩网红博主「佳能同学会」作品高质量备份打包833
红色中式升学宴手机海报邀请函海报694
全国各省高考地理(按省份分类)2008-2025真题和答案996
深度技术 Ghost XP SP3 全新系统下载2630页
63套森林防火宣传PPT模板打包下载7150页
辽宁省数学中考试题和答案2190页
哔哩哔哩网红博主「佳能同学会」作品高质量备份打包8330页
哔哩哔哩「糖果果Candy」作品高质量备份打包4720页
B站「阿猫」作品高质量备份打包5520页
