电脑桌面
添加盘古文库-分享文档发现价值到电脑桌面
安装后可以在桌面快捷访问

某铁路工程试验检测月报--监理月报

某铁路工程试验检测月报--监理月报_第1页
1/4
某铁路工程试验检测月报--监理月报_第2页
2/4
某铁路工程试验检测月报--监理月报_第3页
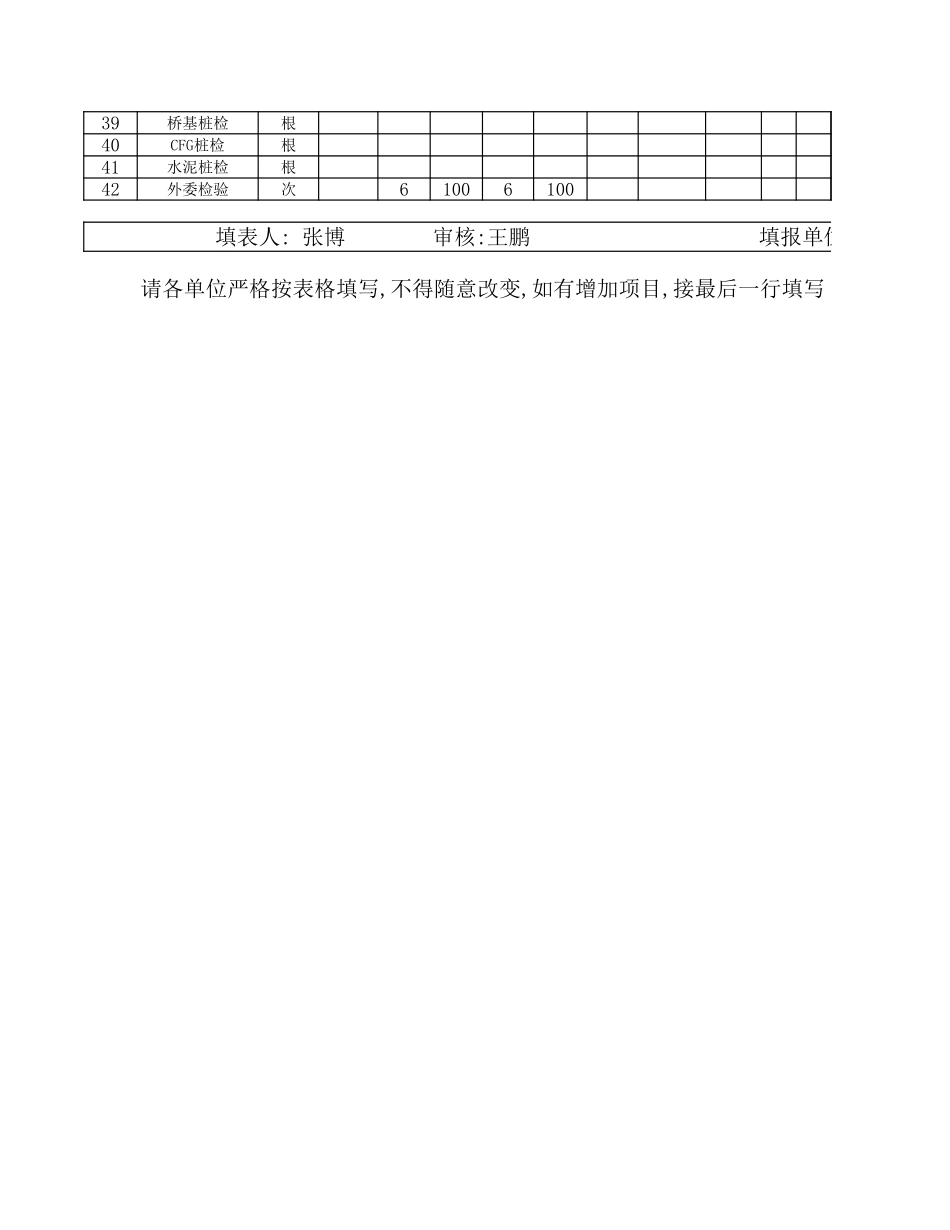
3/4
兰新铁路甘青有限公司试验检测月(季、年)报序号检测项目单位本月检验次数及合格数施工单位自检监理见证监理平行本月进场数次次次批次 批量1水泥吨1510017 410027 2粉煤灰吨2310014 410017 3矿粉吨4外加剂吨7100114 110014 5细骨料吨45100511 610013 6粗骨料吨5510059 610011 7水质分析次/8钢筋原材吨30100413 //9焊接钢筋组1581001610 22100 14 10钢筋工艺组11直螺纹接头组12防水卷材平方米13防水涂料平方米 14砼抗压组36010011231 15砂浆抗压组16砼弹模组17电通量组5000m38100810018抗冻组3100310019抗渗组3100310020支座灌浆吨21管道压浆吨22钢铰线吨23锚夹具硬度(套)套24压浆剂组25灌浆剂组26膨胀剂吨27过渡段级配碎石组28基床表层级配碎石组29土工试验组3000m3910030砼同条件抗压点5100110020 31K30点100m6610032Evd点100m17810033Ev2点3510034砂垫层组35碎石垫层组36压实系数孔系率点29510037地基承载力点100m38其它5000m3施工单位:中铁十八局集团兰新铁路甘青段项目经理部一工区 监理单位:铁科院(北京)第二监理站一号拌合站按规范要求频率合格率%频率(%)合格率%频率(%)500吨200吨120吨50吨600吨600吨60吨200个60吨1组30吨39桥基桩检根40根41水泥桩检根42外委检验次61006100CFG桩检 填表人: 张博 审核:王鹏 填报单位:铁科院(北请各单位严格按表格填写,不得随意改变,如有增加项目,接最后一行填写限公司、年)报累计检验次数及合格数施工单位自检 监理见证检验监理平等检验进场数据量次次次批次批量1631003320 3010015 1891003217 3110016 49100714 1010020 3641006217 5010014 4441006815 5010011 21002100 46610011124 120310017114 17010014 461001124320310022337016100341003410031003100151001510021002100210021004810013100501001002010020 4601006051001821001379100第二监理站一号拌合站 日期:04月24日至05月23日合格率%频率(%)合格率%频率(%)316100100100100100 填报单位:铁科院(北京)第二监理站工地试验室

1、盘古文库是"C2C"交易模式,即卖家上传的文档直接由买家下载,本站只是中间服务平台,本站所有文档下载的收益归上传人(卖家)所有,作为网络服务商,若您的权利被侵害请及时联系右侧客服。

2、本站默认下载后的格式为 docx,pptx ,xlsx,pdf,zippsd等源文件。office等工具即可编辑!源码类文件除外。

3、如您看到网页展示的内容中含有'"133KU.COM"等水印,是因预览和防盗链技术需要对页面进行转换和压缩成图片所生成,文档下载后不会有该内容标识.

4、本站所有内容均由合作方上传,本站不对文档的完整性、权威性及其观点立场正确性做任何保证或承诺,文档内容仅供研究参考,付费前请自行鉴别。如您付费,意味着您自己接受本站规则且自行承担风险,本站不退款、不进行额外附加服务。

在点击下载本文档时,弹出的对话框中,选择“使用浏览器下载”不支持下载工具多线程下载!

部分浏览图可能存在变形的情况,下载后为高清文件,可直接编辑。

某铁路工程试验检测月报--监理月报

莲生六十一+ 关注
机构认证
内容提供者

该用户很懒,什么也没介绍

确认删除?
回到顶部