“女儿有点儿发烧,我从药店买了消炎药准备给她服用,但按药品说明书上写的药量给她吃,却发现剂量超过成年人了,这药到底该怎么吃?”面对...
洛克吉他艺术中心创业项目说明书洛克吉他艺术中心有限公司,致力成为一所集音乐教育、乐器销售、乐器租赁、演出等业务为一体的艺术有限公司...
项目说明书(“绿色”网上果蔬交易平台)“绿生”网上果蔬交易平台以“绿生”有限责任公司为载体,集交流、策划和实施的为一体。平台主要提...
网页游戏发展研讨会暨网页游戏专业委员会成立大会 主办单位:中国软件行业协会游戏软件分会 指导单位:中华人民共和国工业和信息化部 中...
施工监理岗位职责说明书 编号[ ]基本信息岗位名称副总经理 所属部门总经办职称CKO 首席知识官晋升方向总经理直属上级总经理直管下级 ...
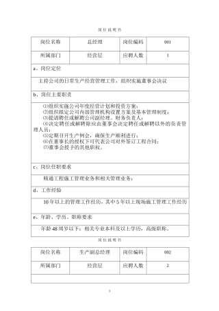
岗 位 说 明 书岗位名称总经理岗位编码001所属部门经营层应聘人数1a、岗位定位主持公司的日常生产经营管理工作,组织实施董事会决议b、...
苏州木兰电子科技有限公司 http://www.mlrfid.com TY-nRF905 无线模块使用说明书(板载天线型、外置天线型)使用该产品前,请认真阅读本...
海华博远 BY-5064 两相混合式步进电机专用集成电路使用说明 一、管脚定义: CPI12GNDRESET1413DB-UB-DA-DBUB9111087s11UA-s2DAUAVCC654...
项目支出预算申报说明书项目负责人联系电话单位地址邮政编码项目类型项目属性项目安排依据预算科目 类 款项目主要内容项目总体目标项目建...
工作说明书部 门职 位员工编号工作概况工作职责所需技能所需教育程度所需培训其他辅助工作与其他工作关系从哪项工作晋升晋升到哪项工作接...
I摘要 近年来,随着经济不断发展,城市规模的扩大,水污染问题日益突出。水质的恶化以及水量的减少,不仅严重影响人们的健康生活,也限制...
给水管网课程设计说明书姓名:李悦学号:20070130211专业班级:给排水工程二班1目 录Ⅰ. 给水管网课程设计任务书 ··········...
发明专利申请公开说明书CN92109904.5
[江苏]自来水厂工艺设计图纸(附70余页说明书)
湖南广播电视大学“筑爱助残,共享阳光”公益项目资助项目说明书一、项目简述 (一)项目背景信息残障人士身体的残疾导致他们特殊的心理特...
总指挥岗位说明书1岗位名称总指挥直接上级无直接上级副总指挥、各消防安全小组长工作场所火灾或其它危及生命财产的现场岗位定员1 人危险性...
投标说明书 总则 1工程说明 对工程的说明见招标须知前附表(以下简称“前附表”)第1栏,名称见第2栏所述。 2资金来源 业主名称)(以...
国际工程招标说明书格式 日期: 合同投标 一、中华人民共和国从世界银行申请获得贷款,用于支付 项目的费用。部分贷款将用于支付工程建...
北京德佛斯DFSFS3000变频器说明书
辽宁省数学中考试题和答案219
哔哩哔哩网红博主「佳能同学会」作品高质量备份打包833
红色中式升学宴手机海报邀请函海报694
全国各省高考地理(按省份分类)2008-2025真题和答案996
深度技术 Ghost XP SP3 全新系统下载2630页
63套森林防火宣传PPT模板打包下载7150页
辽宁省数学中考试题和答案2190页
哔哩哔哩网红博主「佳能同学会」作品高质量备份打包8330页
哔哩哔哩「糖果果Candy」作品高质量备份打包4720页
B站「阿猫」作品高质量备份打包5520页
