主建筑砌石工程技术交底一、 编制依据:1、根据施工图纸的要求进行施工。2、砌体工程施工质量验收规范 GB50203—2002。3、施工作业指导书...
NT/ER09-02 作业技术交底记录表 编号: 安全措施(作业指导书)编号及名称2 号转运站施工项目砌体工程施工单位潍坊水利记 录 人主 ...
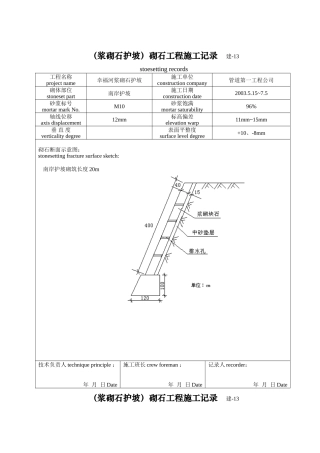
(浆砌石护坡)砌石工程施工记录 建-13stoesetting records 工程名称project name幸福河浆砌石护坡施工单位construction company管道...
辽宁省数学中考试题和答案219
哔哩哔哩网红博主「佳能同学会」作品高质量备份打包833
红色中式升学宴手机海报邀请函海报694
全国各省高考地理(按省份分类)2008-2025真题和答案996
深度技术 Ghost XP SP3 全新系统下载2630页
63套森林防火宣传PPT模板打包下载7150页
辽宁省数学中考试题和答案2190页
哔哩哔哩网红博主「佳能同学会」作品高质量备份打包8330页
哔哩哔哩「糖果果Candy」作品高质量备份打包4720页
B站「阿猫」作品高质量备份打包5520页
