D3 旁 站 监 理 记 录 表工程名称: 编号日期及气候:工程地点:旁站监理的部位或工序:旁站监理开始时间: 年 月 日 时 分旁...
表 B2—18 旁站监理记录表 工 程 名 称 : 黄 骅 港 综 合 港 区 信 息 中 心 楼 工 程 编号:日期及气候: 工程地...
旁 站 监 理 记 录 表(混凝土分项工程)工程名称: 编号日期及气候旁站监理开始时间 / 结束时间/旁站监理部位及工序施工情况:1...
TB2 旁站监理记录表(简支 T 梁预应力筋张拉)工程名称:广珠铁路复工工程 施工合同段: SG-1 标段 编号:日 期气 候工 程 地 ...
旁 站 监 理 记 录 表工程名称:湛江金沙湾广场 1~2~3 号商住小区 编号:20110309日期及气候:2011 年 3 月 9 日 晴工程地...
武汉建设监理规范用表III—编号 10 监理工程师检查记录表(D1)工程名称:南湖国色 工程 编号:承包单位:武汉市新洲区第三建筑安装有...
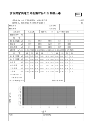
样品名称试验日期样品来源试验用途击实方法每层击数:筒 号5212531054065401534932983304329833043298191420062108209720511.91975928 2....
旁站监理记录表工程名称:廊坊市侨治花园 14#楼 编号:02日期及气候:2009.5.8 晴工程地点:廊坊市东外环以东旁站监理的部位:基础水平...
地下室防水效果检查记录检验(建)表 5.1.2 共 页 第 页工程名称防水部位防水材料品种及规格建设单位项目负责人设计单位项目技术负责...
目 录(五)试验表(1) 材料试验委托单..............................................................................................
附件 1表 1建筑节能施工方案报审表工程名称: 编号:致: (监理单位) 我方已根据施工合同的有关规定完成了 工程节能施方案的编制,...
索引号:(审计机关名称)审前调查会议记录表会计期间_______被审计企业: 会议主题:会议日期:被审计企业参加人员姓名 部门 职务审计机...
0.3645833333333330.5208333333333330.8020833333333330.3333333333333330.5104166666666670.781250.31250.4791666666666670.7083333333333...
旅游照片记录表旅游日期目的地同行伙伴旅游印象底片编号照片名称或描述分辨率电子文件大小胶片规格打印规格存储位置/URL备注:底片编号照片...
名 称 单位生产数量洗发液瓶15000沐浴露瓶20000香水瓶17000洗面奶瓶25000防晒霜瓶10000保湿霜瓶8000肥皂瓶30000香皂瓶40000染发剂瓶15000...
美味食品厂车间生产记录表产品代码 产品名称 生产数量 单位生产车间生产时间合格率TK001山楂片20000袋第一车间93%TK002小米锅粑 24000...
上海 沈阳 杭州 北京 成都 广州 昆明 郑州 武汉 重庆 济南 南京林磊 陈丽 张宇 邱雅 刘丽平袁圆 田志鹏刘昂 于勇 张小锋...
产品质量检验记录表部门面料检验科7日期产品名称生产批号产量抽样数良品数7/1/2006 涤纶高弹丝T-S2000200451917/1/2006T-P1500150341437/2...
订单编号客户姓名产品名称规格单价数量发货日期交货日期MM07009冯浩美容膏99.00 92MM07007田云飞角质调理露89.90 79MM07010古铭峰粉底78....
产品成本记录表制造号码H005001B产品名称规格H005001B125生产数量月份直 接 材 料直 接 人 工日期领料单号 原物料单价数量金 额日...
辽宁省数学中考试题和答案219
哔哩哔哩网红博主「佳能同学会」作品高质量备份打包833
红色中式升学宴手机海报邀请函海报694
全国各省高考地理(按省份分类)2008-2025真题和答案996
深度技术 Ghost XP SP3 全新系统下载2630页
63套森林防火宣传PPT模板打包下载7150页
辽宁省数学中考试题和答案2190页
哔哩哔哩网红博主「佳能同学会」作品高质量备份打包8330页
哔哩哔哩「糖果果Candy」作品高质量备份打包4720页
B站「阿猫」作品高质量备份打包5520页
