电脑桌面
添加盘古文库-分享文档发现价值到电脑桌面
安装后可以在桌面快捷访问

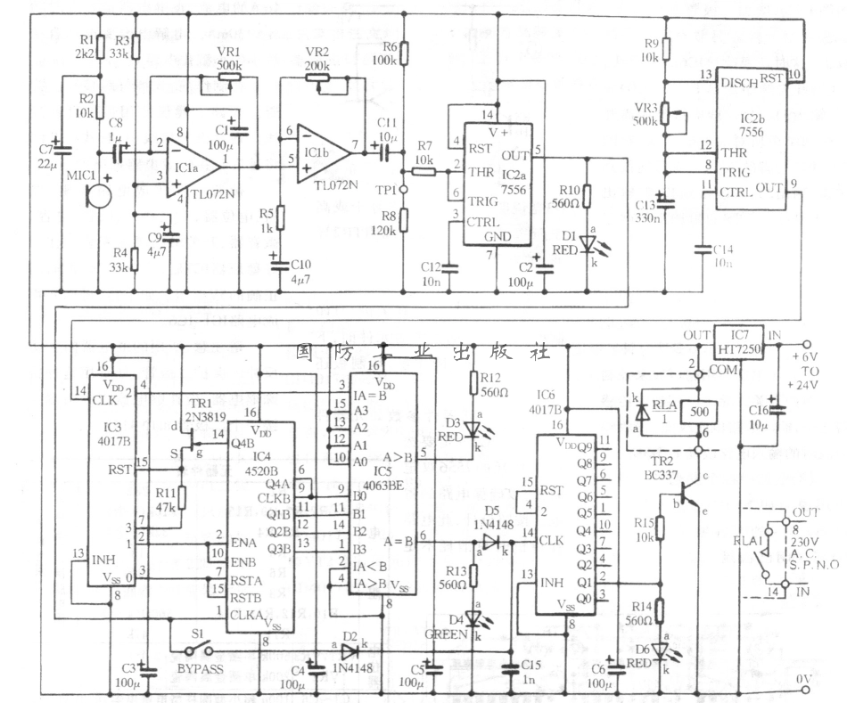
440Hz窄带(5Hz)声控开关

440Hz窄带(5Hz)声控开关_第1页
1/2
440Hz窄带(5Hz)声控开关_第2页
2/2
国 防 工 业 出 版 社 国 防 工 业 出 版 社 国 防 工 业 出 版 社 国 防 工 业 出 版 社 国 防 工 业 出 版 社 国 防 工 业 出 版 社 国 防 工 业 出 版 社 国 防 工 业 出 版 社 国 防 工 业 出 版 社 国 防 工 业 出 版 社

1、盘古文库是"C2C"交易模式,即卖家上传的文档直接由买家下载,本站只是中间服务平台,本站所有文档下载的收益归上传人(卖家)所有,作为网络服务商,若您的权利被侵害请及时联系右侧客服。

2、本站默认下载后的格式为 docx,pptx ,xlsx,pdf,zippsd等源文件。office等工具即可编辑!源码类文件除外。

3、如您看到网页展示的内容中含有'"133KU.COM"等水印,是因预览和防盗链技术需要对页面进行转换和压缩成图片所生成,文档下载后不会有该内容标识.

4、本站所有内容均由合作方上传,本站不对文档的完整性、权威性及其观点立场正确性做任何保证或承诺,文档内容仅供研究参考,付费前请自行鉴别。如您付费,意味着您自己接受本站规则且自行承担风险,本站不退款、不进行额外附加服务。

在点击下载本文档时,弹出的对话框中,选择“使用浏览器下载”不支持下载工具多线程下载!

部分浏览图可能存在变形的情况,下载后为高清文件,可直接编辑。

440Hz窄带(5Hz)声控开关

莲生六十一+ 关注
机构认证
内容提供者

该用户很懒,什么也没介绍

确认删除?
回到顶部